Astable Multivibratör
SERBEST ÇALIŞAN – KARARSIZ (ASTABLE) MULTİVİBRATÖRLER İki durum arasında gidip gelen hiçbir zaman kararlı olarak bir duruma geçmeyen multivibratör çeşididir. […]
SERBEST ÇALIŞAN – KARARSIZ (ASTABLE) MULTİVİBRATÖRLER İki durum arasında gidip gelen hiçbir zaman kararlı olarak bir duruma geçmeyen multivibratör çeşididir. […]
ÇİFT KARARLI (BİSTABLE) MULTİVİBRATÖRLER Bu devre türünde hangi girişten pals uygulanırsa o transistöre ait çıkış gerilimi düşer diğer transistörün kollektör
Astable (Çift kararlı) Çalışma Şekil 1 555 Zamanlama entegresi ile astable multivibratör devresi Şekil 2 555 Zamanlama entegresi ile astable multivibrator devresi
Monostable (Tek kararlı) Multivibratör Monostable Multivibratörler, girişlerine tetikleme sinyali uygulandığında konum değiştirip zamanlama elemanlarının belirledikleri sürece bu konumda kalan, süre
Osilatör (multivibrator) devrelerinin yapımında hazır entegre zamanlama devrelerinden faydalanılır. En çok kullanılan zamanlama entegresi NE555 devresidir. Maliyeti ucuz olup çok
CMOS entegre ile gerçekleştirilmiş kristal kontrollü osilatör devresi. – Bütün dirençler 1/4 Watt – C1: 10-40 pF veya 10-60 pF
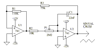
Değişik sinyal çeşitleri üretmek amacıyla üretilen bu özel osilatörler ise bünyesinde 4 adet 741 op-amp barındırırlar. U1 ile gösterilen 1.
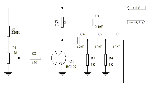
Sinüs dalga ve kare dalgadan sonra ise kullanım oranına bakılırsa üçüncü sırada üçgen dalga geliyor. Periyodiktir ve kare dalgada olduğu
Kare dalga, sinüs dalgadan sonra belki de karşımıza en çok çıkan sinyal çeşididir.Dijital devrelerde, sayaçlarda, saat devrelerinde kullanılan kare dalga, elektronik
Osilatörler, bilindiği gibi kondansatör ve bobinden oluşurlar. Rezonans devresini düşünürsek, devredeki direnç sinüs dalgasını zaman geçtikçe sönümleyecektir. Ancak osilatörlerde bu
Yükseltici olarak transistör veya op-amp kullanan Faz Kaydırmalı Osilatör, bir RC Osilatör çeşidi olarak görülebilir. En az 180 derecelik bir
Meissner Osilatör olarak da bilinen Armstrong Osilatör, yine bir LC osilatör çeşidi olarak karşımıza çıkıyor. İlk kez radyo alıcı-verici devrelerinde