PROGRAM (assembly):
Devreye enerji verildiğinde PORTB’ ye bağlı tüm LED’ leri yakan program. (PIC 16F84)
ASSEMBLY PROGRAMI:

PROGRAM KOMUTLARININ AÇIKLAMALARI:

MOVLW KOMUTU

MOVWF KOMUTU



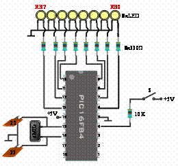
DEVRE SİMULASYONU:

Bu programda tüm LED’ lerin yanması istendiğinden W Registeri içerisine 0xFF sayısı yüklenmiştir.
0xFF sayısının binary karşılığı b ‘1111 1111’ dir.
İstenirse böyle de yazılabilir. ( MOVLW b ‘11111111’ )
Bu sayı PORTB‘ nin tüm bitleri 1 anlamına gelir. Ve tüm LED’ ler yanar.
Programda yanması istenen LED’ lerin bağlı olduğu bitler 1 yapılarak Program değiştirilebilir.
Örneğin:
PORTB’ ye bağlı ilk 4 LED’ in sönük, son 4 LED’ in yanık olması isteniyorsa;
Komut satırına; MOVLW 0xFF yerine MOVLW 0xF0 yazılması gerekir.
Veya MOVLW b ‘11110000’ yazılabilir.
Örneğin:
Komut satırına; Hexadesimal olarak: MOVLW 0xAA veya
binary olarak: MOVLW b ‘10101010’ yazılırsa;
PORTB‘ ye bağlı LED’ lerin biri yanık, biri sönük olduğu gözlenir.