MİKRODALGA DİYOTLARI
Mikrodalga frekansları; uzay haberleşmesi, kıtalar arası televizyon yayını, radar, tıp, endüstri gibi çok geniş kullanım alanları vardır. Giga Hertz (GHz) mertebesindeki frekanslardır.
Mikro dalga diyotlarının ortak özelliği, çok yüksek frekanslarda dahi, yani devre akımının çok hızlı yön değiştirmesi durumunda da bir yönde küçük direnç gösterecek hıza sahip olmasıdır.
Mikrodalga bölgelerinde kullanılabilen başlıca diyotlar şunlardır:
Gunn (Gan) diyotları
Impatt (Avalanş) diyotları
Baritt (Schottky)(Şotki) diyotları
Ani toparlanmalı diyotlar
P-I-N diyotları
GUNN DİYOTLARI
İlk defa 1963’te J.B.Gunn tarafından yapıldığı için bu ad verilmiştir. Gunn diyodu bir osilatör elemanı olarak kullanılmaktadır.
Yapısı, N tipi Galliyum arsenid (GaAs) veya İndiyum fosfat (InP) ‘den yapılacak ince çubukların kısa kısa kesilmesiyle elde edilir.
Gunn diyoda gerilim uygulandığında, gerilimin belirli bir değerinden sonra diyot belirli bir zaman için akım geçirip belirli bir zamanda kesimde kalmaktadır. Böylece bir osilasyon oluşmaktadır.
Örnek: 10µm boyundaki bir gunn diyodunun osilasyon periyodu yaklaşık 0,1 nanosaniye tutar. Yani osilasyon frekansı 10GHz ‘dir.
IMPATT (AVALANŞ) DİYOT
Impatt veya avalanş (çığ) diyotlar Gunn diyotlara göre daha güçlüdürler ve çalışma gerilimi daha büyüktür. Mikrodalga sistemlerinin osilatör ve güç katlarında yararlanılır.
1958 ‘de Read (Rid) tarafından geliştirilmiştir.Bu nedenle Read diyodu da denir. Şekil 3.33 ‘te görüldüğü gibi P+ – N – I – N+ veya N+ – P – I – P+ yapıya sahiptir. Ters polarmalı olarak çalışır.
Yapımında ana elemanlar olarak Slikon ve Galliyum arsenid (GaAs) kullanılır. Diyot içerisindeki P+ ve N+ tipi kristaller, içerisindeki katkı maddeleri normal haldekinden çok daha fazla olan P,N kristalleridir.
“I” tabakası ise iyonlaşmanın olmadığı bir bölgedir. Taşıyıcılar buradan sürüklenerek geçer ve etrafına enerji verirler.
BARITT (SCHOTTKY) DİYOT
Baritt Diyotlar ‘da nokta temaslı diyotlar gibi metal ve yarı iletken kristalinin birleştirilmesi ile elde edilmektedir. Ancak bunlar jonksiyon diyot tipindedir.
Değme düzeyi (jonksiyon) direnci çok küçük olduğundan doğru yön beslemesinde 0.25V ‘ta dahi kolaylıkla ve hızla iletim sağlamaktadır.Ters yöne doğru akan azınlık taşıyıcıları çok az olduğundan ters yön akımı küçüktür. Bu nedenle de gürültü seviyeleri düşük ve verimleri yüksektir.
Farklı iki ayrı gruptaki elemandan oluşması nedeniyle baritt diyotların dirençleri (lineer) değildir.
Dirençlerin düzgün olmaması nedeniyle daha çok mikrodalga alıcılarında karıştırıcı olarak kullanılır. Ayrıca, modülatör, demodülatör, detektör olarak ta yararlanılır.
ANİ TOPARLANMALI DİYOT
Ani toparlanmalı (Step-Recovery) diyotlar varaktör diyotların daha da geliştirilmişlerdir. Varaktör diyotlar ile frekansların iki ve üç kat büyütülmeleri mümkün olabildiği halde, ani toparlanmalı diyotlar ile 4 ve daha fazla katları elde edilebilmektedir.
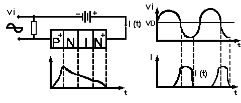
PİN DİYOT
P-I-N diyotları P+-I-N+ yapıya sahip diyotlardır. P+ ve N+ bölgelerinin katkı maddesi oranları yüksek ve I bölgesi büyük dirençlidir.
Şekil de P-I-N diyodunun yapısı verilmiştir.
Alçak frekanslarda diyot bir P-N doğrultucu gibi çalışır. Frekans yükseldikçe I bölgesi de etkinliğini gösterir. Yüksek frekanslarda I bölgesinin doğru yöndeki direnci küçük ters yöndeki direnci ise büyüktür.
Diyodun direnci uygulama yerine göre iki limit arasında sürekli olarak veya kademeli olarak değiştirilebilmektedir.
P-I-N diyotlar değişken dirençli eleman olarak, mikrodalga devrelerinde, zayıflatıcı, faz kaydırıcı, modülatör, anahtar, limitör gibi çeşitli amaçlar için kullanılmaktadır.

BÜYÜK GÜÇLÜ DİYOTLAR
2W ‘ın üzerindeki diyotlar Büyük Güçlü Diyotlar olarak tanımlanır. Bu tür diyotlar, büyük değerli DC akıma ihtiyaç duyulan galvano-plasti, ark kaynakları gibi devrelere ait doğrultucularda kullanılmaktadır.
Tablo 3.1 ‘de belirtilmiş olduğu gibi 1500-4000V arası ters gerilime ve 1000A ‘e kadar doğru akımına dayanabilen SİLİKON DİYOTLAR üretilebilmektedir.
Şekil de 200A ‘lik bir silikon diyot örneği verilmiştir. Bu tür diyotlar aşırı akım nedeniyle fazla ısındığından Şekilde görüldüğü gibi soğutuculara monte edilirler

